HLU 205KRRB2 Bearing Spec Sheet
The new HLU 205KRRB2 bearing addition to our agricultural bearing line-up is designed for use primarily in farm implements at slower speeds.
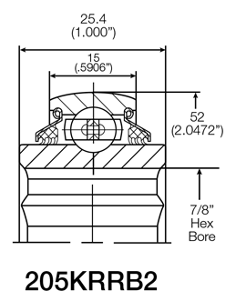
This bearing features:
* 7/8" Hex Bore
* 52mm OD
* Sealed by two heavy duty triple lip seals to keep out dirt and contaminants
* Made to Abec 1 precision standards
* Pre-lubricated with Shell Alvania RL2 grease
Please call if you have any additional questions.

